大金&倍德-打合纪要及反馈@2021-12-08 周三
曲政 / 2021-12-08
大金&倍德-第二次打合纪要及反馈
| 时间 | 2021-12-08 周三 13:30 | |
|---|---|---|
| 地点 | 电话 | |
| 人员 | 韦火勇 | 大金机电技术部技术课课长 |
| 曲政 | 天津倍德上海事务所所长 |
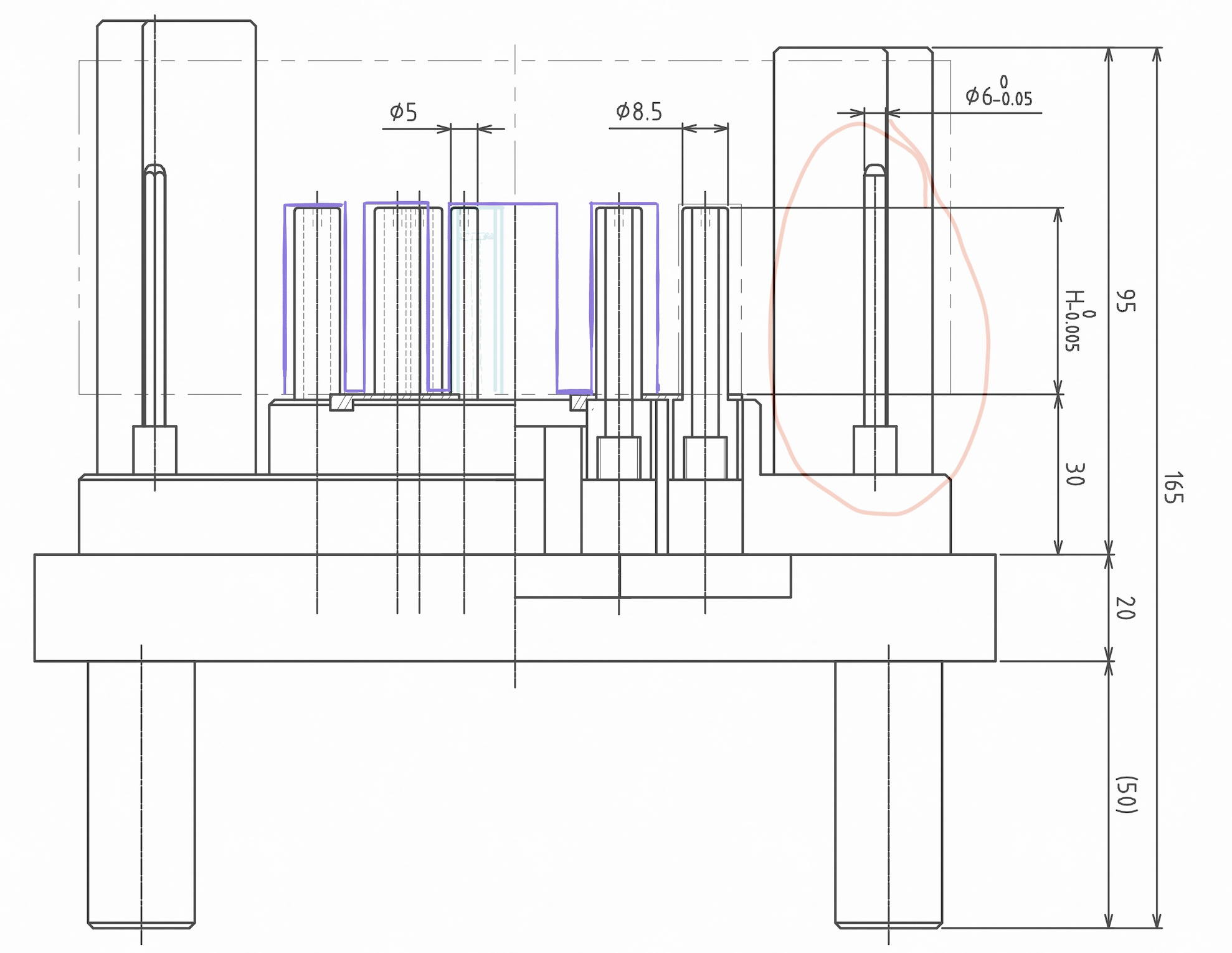
涡旋压缩机动盘、定盘齿底深度测量台,第一版构想图,哪些关键设计要素。
精度
新宝既有案例,工件被测尺寸的公差范围多大?
类似案例中,客户图纸中此项内容的公差是 ±0.005,同大金要求一致。
划伤
大金方面对划伤的检验很严格。
测头深入涡旋内部,有什么可靠措施保证不划伤工件?
例如:
- 测头外柱,顶部用尼龙保护。定盘H5处的Φ5测头,检讨偏心气孔布局。
- 利用工件外圆周边,通过导向块扶持,放下工件。
测头保护及工件导向两项措施已检讨,见“下回探讨”附图。
定位
动盘工件的平面定位不宜用涡旋顶端面,请采用与涡旋底基本同高的法兰面,与图纸基准保持一致。
已更改,见“下回探讨”附图。
动盘工件的角向定位可以使用涡旋开端,但是圆销作挡块不可靠。
有检讨,见“下回探讨”附图。
其它
构想图中,希望放入动、定盘工件中的俯视、左视图作为评估参照。客户在合作后期可以提供CAD原文件。
已在构想图中放入工件作为参考。
气孔测点尽量放在工件图阴影区域的圆心。
已放入构想图中作对比。
动盘测台构想图中的手柄机构似无必要。
已取消。
定盘测台构想图中的两个竖立定位块似无必要。
作放入时的导向用,见“下回探讨”附图。
下回
大金 - 新宝 - 倍德 三方共同探讨以下细节。
保证工件放入时水平姿态的导向结构





保证工件放入时角度正确的防呆结构


定盘 H5 测点测头气孔偏心结构


动盘法兰面三点支撑结构

动盘角向定位挡块结构


定盘角向定位销长度问题

